
一站式国标2015+充电仿真与测试介绍
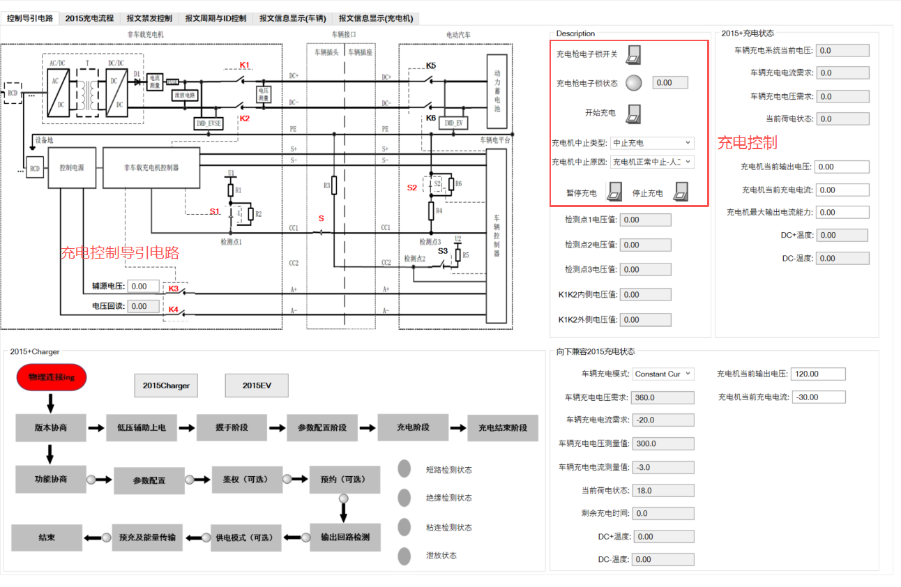
本文介绍基于CANoe开发的2015+国标充电协议一站式仿真与测试工程。该方案可完整仿真充电桩与车辆交互流程,实时监控关键参数,并配套符合GB T 34658-2025等标准的测试用例包,助力实现高效、可复现的充电兼容性与一致性测试。C/C++代码静态测试工具Perforce QAC 2025.4 的新特性
Perforce QAC 2025 4发布,提供最小化CI CD安装程序、Visual Studio Code AI辅助代码修复,并扩展Windows API动态内存分析,提升C++代码分析与合规性测试效率。如何在模型在环测试中高效进行故障注入测试
本文介绍如何利用TPT工具在汽车模型测试阶段高效实施故障注入。通过Server Function直接调用模型元素,支持数据卡滞、突变及自定义噪声等多种故障类型,无需手动搭建故障模型,显著提升测试覆盖深度与效率,助力保障汽车软件安全。
如何使用CANoe诊断控制台发送诊断命令
本文详细讲解如何使用CANoe软件的诊断控制台,配合CDD诊断数据库,高效、准确地发送CAN、LIN及Ethernet的诊断命令。涵盖从基础配置、安全访问解锁到多总线通信设置的全流程操作指南,旨在替代繁琐的手动组帧,大幅提升诊断测试效率。北汇信息提供相关技术培训与支持。
【新品】面向时间敏感网络的模块化测试器—TSN CoreSolution 4.0
TSN CoreSolution 4 0是专为车载以太网等时间敏感网络设计的模块化测试平台。它集高密度TAP、流量生成与精确分析于一体,凭借灵活的硬件配置与强大的硬件级过滤功能,助力工程师高效应对高确定性、高带宽网络的验证与测试挑战。北汇信息提供相关咨询与测试服务。
如何高效进行故障注入测试
故障注入测试前移不仅是测试效率的提升,更是平衡研发成本与周期的重要保证。
【征集令】2026年全球汽车软件开发状况调查,500美金等你拿
汽车软件是汽车行业增长最快的领域之一,SDV、自动驾驶汽车、新能源汽车、网络安全和联网汽车都在汽车的未来发挥着重要作用。Perforce是一
功能安全实车测试设备
产品背景随着智能网联汽车技术快速发展,功能安全验证已成为行业关注焦点。ISO 26262标准要求通过故障注入测试验证系统安全机制的有效性,